首页 / 新闻 / 金相百科
2026.03.18
金相镶嵌是金相分析前的关键环节,高质量的镶嵌件能为后续的研磨、抛光和显微观察奠定良好基础。金相镶嵌机的正确使用的不仅能保证镶嵌效果,还能延长设备寿命、提高工作效率。以下将从操作流程、实用技巧、注意事项和常见问题处理四个维度,分享多年实践积累的使用心得,帮助新老操作者快速掌握核心要点。​
2026.04.15
当试样尺寸过小、形状特殊(如金属碎片、丝材、薄片、细管、钢皮等)不易握持,或要保护试样边缘(如表面处理的检验、表面缺陷的检验等)则要对试样进行夹持或镶嵌。
2026.05.06
材料的金相检验主要目的是检查微观缺陷,如脱碳层的深度、夹杂物和金相组织形态等。材料的表面缺陷如折迭、凹坑等则可以通过金相检验进一步定量地确定缺陷的深度。原材料金相检验的试样一般取纵横两个截面。
2023.02.13
磨抛是金相制样最为关键的环节,这一过程的好坏会直接影响到最终样品的检测结果,因此对于金相磨抛机的使用方法及具体步骤也就比较重要了,平整无痕是最高境界。下面川禾Truer来带您了解磨抛的一些小技巧。
2022.11.08
上海川禾Truer,专注金相检测行业十几年,自主研发金相切割机、金相镶嵌机、金相磨抛机、金相研磨机、金相显微镜等。现在川禾Truer带您了解具体的金相切割设备功能,看看什么类型的适合您。
2022.11.14
金相镶嵌是将不规则的金相切割提取试样用树脂镶埋入模具中,制备成为规则的标准金相试样,便于磨抛夹持与显微观测。
2022.11.10
金相切割是利用高速旋转的薄片砂轮来截取金相试样,它广泛地适用于金相实验室切割各种金属材料。接下来川禾Truer带您快速了解金相切割的要点。
2026.03.05
优化淬火工艺使风电轴承晶粒度提升至8级,寿命提高40%,钢材金相分析通过显微镜揭示晶粒尺寸与夹杂物分布,结合AI图像识别将检测周期从2小时缩短至15分钟,为材料性能评估与工艺优化提供关键支撑,GB/T与ISO标准确保检测结果精准指导工程实践。
2026.03.11
碳纤维金相制样的核心是低损伤、防分层、防纤维拔出,全程控温、控压、控速,从切割到抛光逐级精细化,才能获得清晰、无伪像的截面组织。
2026.03.20
采用彩色金相检验方法对铝导线的火灾熔痕进行分析,选用阳极覆膜法对铝导线火灾 熔痕的显微组织进行着色。结果表明:铝导线火灾熔痕着色后的显微组织色彩鲜艳,且晶界完整清 晰;铝导线一次短路熔珠晶粒为狭长的柱状晶,晶粒细长,二次短路熔珠晶粒为粗大的等轴晶;火烧 熔痕晶粒为粗大的等轴晶,晶粒内部枝晶组织明显;一次短路熔珠的气孔形状较二次短路熔珠的气 孔形状更加规则,火烧熔痕中不存在气孔。
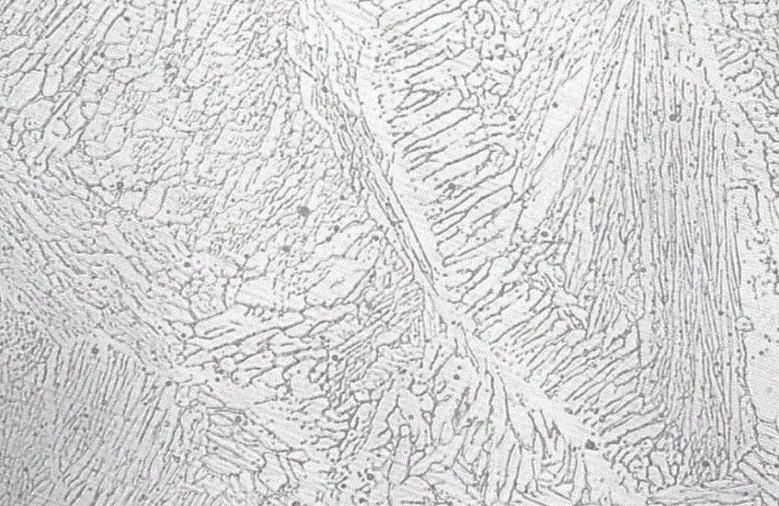
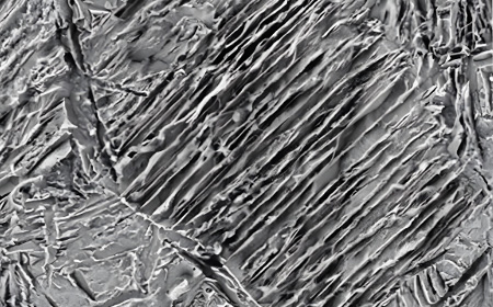
2026.03.23
钛合金在金相检验中常见缺陷主要分为冶金缺陷、热加工 / 热处理缺陷、表面缺陷及夹杂与裂纹四大类,以下是详细说明:
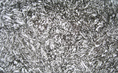
2026.03.31
这里给你完整、可落地的 45 号钢(优质中碳钢,C≈0.45%)金相组织指南,包含不同热处理状态的组织特征、制样方法与典型图谱,方便你对照观察与报告撰写。
2026.04.01
碳钢金相,即碳钢的金相组织,是指通过金相显微镜观察到的碳钢内部微观结构。它由铁素体、珠光体、渗碳体等基本相组成,其形态、大小、数量和分布直接决定了碳钢的强度、硬度、塑性、韧性等力学性能。
2026.02.25
金相分析是研究金属材料内部组织结构、缺陷及相组成的关键手段。要获得清晰、无伪影的真实显微组织图像,样品制备是至关重要的第一步。对于铜及其合金(如黄铜、青铜等),由于其质地较软、易氧化、易产生变形层和划痕,磨抛过程需要格外精细和耐心。本文将系统阐述金相铜样品的标准化研磨与抛光流程。
2026.02.27
在金相分析流程中,腐蚀是连接 “抛光镜面” 与 “微观组织可视化” 的核心环节。经过精细抛光的金属样品表面光滑如镜,却无法区分晶粒、相界、缺陷等微观特征 —— 而金相腐蚀通过精准的化学或电化学作用,选择性地侵蚀样品表面,让原本隐藏的微观结构形成明暗反差,成为显微镜下可观察、可分析的清晰形貌。
2026.03.03
磨抛铝合金的核心是控温防变形、控压防划伤、逐级清洁过渡、选对耗材与参数,避免过热发黑、深划痕、过抛 / 变形。以下是分环节的详细注意事项:
2026.03.04
3D 打印 TC4 磨抛核心是轻压、慢进、逐级细化、控温防氧化、防孔隙堵塞,目标是无划痕、无浮雕、保层状 / 孔隙原貌。
2026.04.03
有色金属缺陷检验需按缺陷位置与性质选择手段,优先无损筛查、辅以显微验证,并对标国标与行标,确保定量定性准确。
2026.03.17
选择金相磨抛机五大特点
2026.04.02
在金相显微镜下观察纳米金属材料(通常指纳米晶金属,晶粒尺寸<100 nm),与常规粗晶金属有显著不同。由于分辨率极限,常规金相(OM)无法直接看清单个纳米晶粒,但能观察到整体组织特征、梯度结构、缺陷、第二相及制备 / 加工留下的痕迹。
2026.05.11
金相不是硬度,而是指金属材料的微观组织结构和相组成。
2026.05.12
在材料科学中,金相显微镜观察是检验金属材料性能、揭示金属内部组织结构地常用技术手段。对于纯铜这种常见的金属材料来说,进行金相分析时磨制试样是至关重要的步骤。
2026.04.17
选择金相切割机,核心是匹配材料、尺寸、精度与批量,并重点关注冷却、进给、刚性、安全四大指标。下面是一套完整的选型指南。
2026.03.06
金相学通过显微镜技术研究金属材料的显微组织,是材料学中的基础概念。金相和金相制样,这两个在材料学中基础且核心的概念,往往让学生们感到困惑。
2026.03.09
要让金相抛光又快又好,核心是:磨抛分级递进、参数精准匹配、操作规范、清洁彻底、避免过抛。下面按流程给出可直接落地的高效方案。
2026.03.16
金相失效分析是通过光学 / 电子显微镜观察金属材料的微观组织、缺陷、断口形貌,结合成分、力学与服役环境,判定失效模式、追溯根源、提出改进的核心技术,是金属构件断裂、腐蚀、磨损、疲劳等失效诊断的 “金标准”。是通过光学 / 电子显微镜观察金属材料的微观组织、缺陷、断口形貌,结合成分、力学与服役环境,判定失效模式、追溯根源、提出改进的核心技术,是金属构件断裂、腐蚀、磨损、疲劳等失效诊断的 “金标准”。
2026.03.12
表面的划痕,本质就是:材料表面被硬物划出了一条 “深沟”,普通砂纸越磨越花,是因为它只会切更深的沟。金相砂纸的逻辑是:不刮新伤,只把高低不平的地方慢慢 “削平”。
2026.03.13
在材料微观世界的探索中,金相试样制备是一个略带“玄学”色彩的过程——同样的设备、同样的材料,不同操作者制备出的样品可能判若云泥。
2026.03.19
渗碳体是金相组织中的一种重要相,它对材料的性能有显著影响。渗碳体通常呈白色,硬度较高,可以提高材料的硬度和强度。然而,渗碳体的含量过高会导致材料的脆性增加,降低塑性。因此,在金相组织中,渗碳体的含量需要适当控制,以平衡材料的硬度和塑性。
2026.03.24
3D 打印 TC4 最头疼的就是内部孔隙被抛光膏 / 磨料堵死,导致金相看不清孔隙形貌、EDS/EBSD 不准。我给你一套实战有效、专门针对多孔 3D 打印钛合金的防堵塞方案,你照着做基本能杜绝这个问题。
2026.03.26
      金属腐蚀是一个普遍存在的问题,它给许多行业带来了巨大的经济损失。为了有效应对金属腐蚀,我们需要一种能够预测腐蚀风险的方法。镀层金相分析就是这样一种方法,它通过对金属表面的镀层进行深入研究,来评估金属的耐腐蚀性能。
2026.03.27
金相是指金属材料的内部结构和组织特征,通常通过金相显微镜进行观察。金相分析可以揭示金属的晶粒大小、形状、分布以及相组成等信息,这些信息对于评估金属材料的性能、优化加工工艺以及预测材料在使用过程中可能出现的问题具有重要意义。
2026.03.30
金相耗材选择核心:按材料硬度 + 制样阶段 + 精度要求逐级匹配,从切割、镶嵌、研磨、抛光到腐蚀,每一步耗材直接决定组织观察质量。
2026.04.08
金相显微镜作为材料科学、失效分析、半导体检测等领域的核心工具,其成像质量直接决定了微观结构分析的可靠性。本文将从光学系统到数字采集,系统拆解一台专业金相显微镜的核心组件,结合实验室场景下的实际应用,帮助从业者快速建立对设备结构的认知框架。
2026.04.09
铸钢金相制样的核心是控制变形与氧化、精准腐蚀,分为 ** 宏观(低倍)与微观(高倍)** 两条主线,按标准可一次性做对。
2026.04.16
颗粒大小分析(粒度分析)是表征粉体 / 颗粒材料的核心技术,用于测定颗粒大小、分布及集中度,直接影响材料的成型、强度、溶解与性能一致性。
2026.04.07
钢材产品质量的好坏直接关系到了钢铁企业生存和发展,产品质量又和材料性能密不可分,金属和合金的显微组织不同,材料性能也大不相同,只有通过控制组织,才能达到控制性能的目的。在钢铁企业中,金相检测是钢材产品质量的重要依据之一,同时也是解决生产实际问题的重要依据之一。
2026.04.14
断口分析是研究金属断裂面的学科,是断裂学科的组成部分。金属破断后获得的一对相互匹配的断裂表面及其外观形貌,称断口。断口分析是材料科学与工程技术中的“侦探工具”,是通过宏、微观分析手段对断裂表面进行观测分析,以了解断裂模式、机理及与材料性能关系的技术 。
2026.04.20
在失效分析实验室处理某变速箱齿轮断裂案时,我们发现断裂源区存在异常粗大的晶粒组织。通过系统测定该区域晶粒尺寸比基体大三级以上,结合热处理记录追溯,最终锁定淬火温度失控是根本原因。
2026.04.24
了解金相显微镜的基本构造及成像原理,并学会其使用方法。
2026.04.21
钛合金晶粒度检测依据GB/T 6394-2017标准,针对不同组织类型选择截点法、面积法或比较法,试样需精密制备并通过Kroll试剂腐蚀显现α/β相,结合光学显微镜与EBSD技术实现精准评定。金相分析需辨识α/β型组织差异,检测氢脆、过热等缺陷,评估热处理与加工工艺对组织性能的影响。
2026.04.23
金相通常指金属或合金内部结构,金相组织是反应金属金相的具体形态。金属的组织通常由成分、工艺和热处理状态决定,常见的组织有碳钢退火态的“铁素体和珠光体”,合金钢调质态的“回火索氏体”,奥氏体不锈钢固溶态的“孪晶奥氏体”等。
2026.04.27
进入2026年,随着新材料、半导体和生命科学的飞速发展,显微镜技术也迎来了智能化、定量化的新纪元。本文将为您详细解析显微镜的核心知识,并重点介绍应用广泛的两大类产品:金相显微镜与生物显微镜。
2026.04.28
莱氏体是钢铁材料基本组织结构中的一种,常温下为珠光体、渗碳体和共晶渗碳体的混合物。 由液态铁碳合金发生共晶转变形成的奥氏体和渗碳体所组成,其含碳量为ωc=4.3%。 是1882年阿道夫·莱德布尔发现的。
2026.04.30
以纯铜或铜合金制成各种形状包括棒、线、板、带、条、管、箔等统称铜材。铜材的加工有轧制、挤制及拉制等方法,铜材中板材和条材有热轧的和冷轧的;而带材和箔材都是冷轧的;管材和棒材则分为挤制品和拉制品;线材都是拉制的。
2026.05.08
随着新型干法水泥的发展和熟料煅烧技术的进步,水泥工业对于生产原料的品质要求也是越来越低,各种低品质原料和工业废物都得到了逐步利用。尽管如此,掌握原料的特性对于原料粉磨,熟料煅烧设备的设计选用以及对粉磨、煅烧制度的确定仍然十分的重要。
2026.05.07
今天咱们来聊聊一个超级炫酷的科学技能——金相分析!这可不是什么普通的观察,它可是能透视金属材料内部,帮你get到材料的性能和质量的超级大招哦!
2023.02.16
金相抛光需要抛光布与抛光液搭配使用。 抛光液提供磨粒介质,抛光布通过储存和把持磨粒提供载体。抛光布的纹理对磨粒进行存储,以延长磨粒的“服役”时间;对磨粒的把持则是用细磨粒来去除样品表面上一道工序留下的粗的变形和划痕。好的抛光布不仅需要具备较长的耐用性,重点还需支持高去除率、短制备时间和高质量的样品表面。
2026.03.02
工业纯钛(TA1/TA2/TA3)金相分析核心是观察等轴 α 相的晶粒尺寸、形态、均匀性,以及微量晶间 β 相、孪晶、杂质相,并结合工艺判断组织与性能关系。
2026.02.26
在冶金冶炼、机械制造、废旧金属回收等领域,金属材料的元素成分直接决定其力学性能、耐腐蚀特性与使用价值。金属分析仪作为成分检测的核心设备,其对碳钢、不锈钢、铝合金等常见材料的元素检出范围与精度,是保障产品质量、把控原料纯度的关键。不同金属材料的基体成分与关键元素差异显著,要求分析仪具备“宽范围覆盖、高灵敏度捕捉、强基体抗干扰”的核心能力。下面聚焦三类主流金属材料,解析金属分析仪的元素检出范围及适配逻辑,为行业检测提供专业指引。
2021.03.09
随着材料科学的发展,要求研究者准确地显示材料的显微组织,而传统的黑白金相分析法,往往由于金属表面显微组织衬度不足,特征不清而难以区分和鉴别,甚至出现判误。计算机彩色金相技术处理的合金试样颜色色彩斑斓、衬度鲜明、美丽悦目,大大提高金相鉴别能力,增加了试样表面可提供的信息量,可靠性与重现性亦好,有利于揭示材料微观世界的奥秘。
2020.07.15
本文汇总了金相分析版块目前为止的资源帖,包括金相制备、图像处理、彩色金相等几部分,大家根据需要,点击链接,即可下载或阅览。
2020.09.30
金相即金相学,就是研究金属或合金内部结构的科学。不仅如此,它还研究当外界条件或内在因素改变时,对金属或合金内部结构的影响。所谓外部条件就是指温度、加工变形、浇注情况等。所谓内在因素主要指金属或合金的化学成分。金相组织是反映金属金相的具体形态,如马氏体,奥氏体,铁素体,珠光体等等。
2020.06.29
一般情况下,在金相制样的过程中如果试样大小合适,则不需要金相镶样,但试样尺寸过小或形状极不规则者,如带、丝、片、管、粉末等,制备试样十分困难,就必须把试样镶嵌起来。镶嵌分冷镶嵌和热镶嵌二种。
2020.07.11
金相是什么?金相砂纸的作用?关于金相抛光是什么?本期小编带您了解一些金相小常识。
2020.07.11
金相分析是指运用放大镜和金相显微镜,根据对金属材料的宏观及微观组织进行观察研究的方法,生产实际中常常称之为金相检验。
2020.07.11
金相检验(金相检测)主要是通过采用定量金相学原理,运用二维金相试样磨面或薄膜的金相显微组织的测量和计算来确定合金组织的三维空间形貌,从而建立合金成分、组织和性能间的定量关系。
2020.09.30
化学抛光是一种将金相样品浸入调配的化学抛光液中,借化学药剂的溶解作用而得到的抛光表面的抛光方法。化学抛光是常见的金相样品抛光方法之一,这种方法操作简便,不需任何仪器设备,只需要选择适当的化学抛光液和掌握最佳的抛光规范,就能快速得到较理想的光洁而无变形层的表面。
2020.06.10
镶嵌是金相制样的关键步骤之一,作用是可以使那些形状或尺寸不适合的试样通过镶嵌来形成统一的尺寸,便于后续的自动化磨抛;保护试样边缘或防止制备过程造成边缘倒角等缺陷;确保易脆、多孔的材料的制备效果及实现样品的自动化制备等。
2020.10.09
金相显微镜是专门用于观察金属和矿物等不透明物体金相组织的显微镜镜,它具有稳定性好、成像清晰、分辨率高、视场大而平坦的特点。因其对被测物进行既定性又定量地进行分析,故对金相显微镜的校准工作必不可少。
 
联系我们
  • 400-099-7576
  • 021-34686739
  • 021-34320902
  • 13472638080 徐经理
  • 中国 上海青浦 崧秋路299号3楼
扫描二维码 咨询随时知
  • 企业微信

  • 个人微信

网站图片版权归属©2019 川禾Truer. 无允许不得转载 版权说明归©2019 川禾Truer. 沪ICP备15008096号-1 沪公网安备31011802005507号

TOP